Home » Products » Road Safety Barriers » Median Gates » ArmorGuard Barrier Gate
ArmorGuard Barrier Gate
The ArmorGuard Barrier Gate is a highly mobile, steel gate system designed to create safe, controlled access points in temporary or emergency traffic management situations. Ideal for short-term work zones, contraflow lanes, or emergency response routes, ArmorGuard provides quick opening and closing of barrier lines without compromising protection or performance.
Crash Test Evaluation
Barrier Configuation
Vehicle Type
Vehicle Mass
impact speed
impact angle
impact energy
Dynamic Deflection
8m Span
64m Span
Barrier Configuation
8m Span
Vehicle Type
Vehicle Mass
impact speed
impact angle
impact energy
Dynamic Deflection
Barrier Configuation
64m Span
Vehicle Type
Vehicle Mass
impact speed
impact angle
impact energy
Dynamic Deflection
Product Features
NCHRP 350 TL3 Compliant
Containment of a 2000 kg pick-up truck travelling at 100 km/h and 25 degrees.
Leading Safety
Can be impacted from either side of the barrier.
Innovative Design
All steel construction with manual operation.
Reduce Traffic Congestion
Ideally suited for rerouting traffic and for emergency access.
Product Gallery
Downloads
Frequently Asked Questions
How does the ArmorGuard Barrier Gate work?
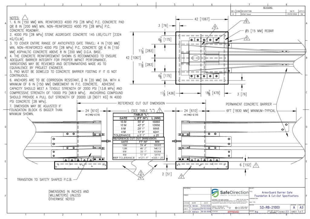
ArmorGuard Gate is a heavily reinforced steel barrier system designed to provide access through median barrier. ArmorGuard Gate can be installed as a permanent or workzone barrier and facilitates contraflow during maintenance activities or emergency access for first responders.
What is the crash test performance of the ArmorGuard Barrier Gate?
The ArmorGuard Gate has been crash tested in accordance with Test Level 3 (TL3) of the National Cooperative Highway Research Program (NCHRP) Report 350. Heavy passenger vehicle impacts are performed with a 2000 kg pick-up truck travelling at 100 km/h and 25 degrees.
What is a contraflow?
A contraflow is a temporary or permanent traffic management arrangement in which vehicles are directed to travel in the opposite direction to the normal flow of traffic on a roadway or part of a carriageway.
How long does it take to open or close the ArmorGuard Barrier Gate?
ArmorGuard Gate can be opened from either end manually with just one person in under 2 minutes.
What is the length of each ArmorGuard Barrier Gate section?
The ArmorGuard Barrier Gate is available in 8 m sections.
What is the maximum length of an ArmorGuard Barrier Gate section?
The individual sections may be connected to provide a maximum opening of 64 m.
Can the ArmorGuard Gate be repaired after a design impact?
Yes, since the ArmorGuard Gate has been engineered using modular components, repairing the ArmorGuard Gate can be accomplished with the use of ArmorGuard spare parts. Spare parts are available through Safe Direction.
What is the advantage of using a barrier gate rather than just providing an opening in the barrier?
The installation of a barrier gate provides a continuous barrier reducing the potential for an errant vehicle to breach the crash barrier system.
What is the mass the ArmorGuard Barrier Gate section?
The 8 m section weighs 2500 kg.
What is the recommended maintenance of ArmorGuard Barrier Gate system?
Periodic maintenance is recommended to apply grease to the castor wheels used to manoeuvre the gate. Annual inspections should include raising, holding and lowering the system to ensure operational functionality. The area around and within the internal and external operating area should be kept free of debris that could affect either the impact performance or restrict the ability to open or close the system when needed.
